Круглоконические несиловые опоры
Найдено: 109 товаров
Цена
Производитель
Артикул рекомендуемого ЗДФ
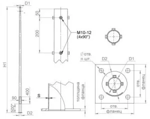
Верхний диаметр, мм
Ветровой район по СП 20.13330.2016
Вид
Вылет, мм
Высота надземной части H, м
Высота, мм
Выcoтa лючкa В, мм
Гарантия на покраску
Гарантия на цинковое покрытие, лет
Диаметр резьбы, мм
Диаметр, мм
Длина овтерстия, мм
Дополнительная модификация
Качество/НТД
Кол-во отверстий во фланце
Марка стали
Масса, кг
Материал
Межосевое расстояние отверстий фланца, мм
Модель
Модификация
Наличие ревизионного лючка
НАТО монтажные отверстия
Нижний диаметр, мм
Отклонение (угол)
Подвид
Подводка кабеля
Подземная часть, м
Подходит для
Производитель
Размер фланца, мм
Рекомендуемый
фундаментный блок
Рекомендуемый артикул крепежа
Серия
Способ монтажа
Срок службы
Страна производства
Тип
Тип монтажа
Тип покрытия
Тип ствола опоры
Угол, град
Установочное место кронштейна
Форма ствола опоры
Форма фланца
Ширина отверстия, мм
Шиpинa лючкa Г, мм
D3, мм
h1, мм
h2, мм
h3, мм
Сбросить все фильтры
Сортировать
По популярности













