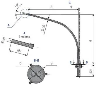
Кронштейн радиусный двухрожковый с кольцом К2К-2,0-2,5-К165/108-0,057-(15-180) ГЦ+ПО
К2К-2,0-2,5-К165/108-0,057-(15-180) ГЦ+ПО
Арт: 00-004232
12 245.21 ₽
11 662.10 ₽
11 079 ₽
СКИДКА 5%
В наличии
Характеристики
СтатусВ наличии
Все характеристики
1
Под заказ: 2-4 недели
20 лет опыта и качества
Выгода для постоянных клиентов
Доставка во все города РФ
Пункты выдачи в каждом городе РФ
Гарантия
5 лет
Розница отп без выходных
Описание
Расшифровка
Технические характеристики
Инструкции
Доставка
Оплата
Отзывы
У товара пока нет описания





















































