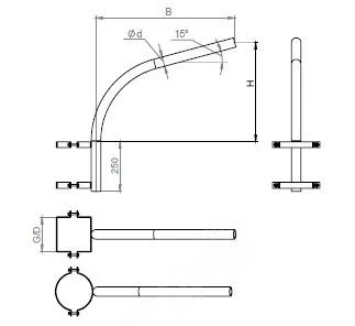
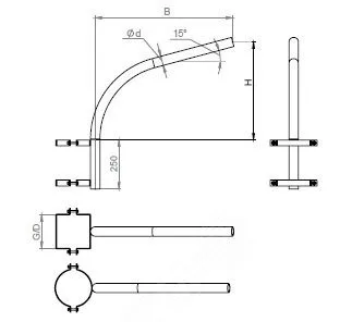
Кронштейн приставной однорожковый К1П-1,5-1,5-П159-0,048 ГЦ+ПО
К1П-1,5-1,5-П159-0,048 ГЦ+ПО
Арт: 00-004137
3 260.25 ₽
3 105 ₽
2 949.75 ₽
СКИДКА 5%
В наличии
Характеристики
СтатусВ наличии
Все характеристики
1
Под заказ: 2-4 недели
20 лет опыта и качества
Выгода для постоянных клиентов
Доставка во все города РФ
Пункты выдачи в каждом городе РФ
Гарантия
5 лет
Розница отп без выходных
Описание
Расшифровка
Технические характеристики
Инструкции
Доставка
Оплата
Отзывы
У товара пока нет описания



















































