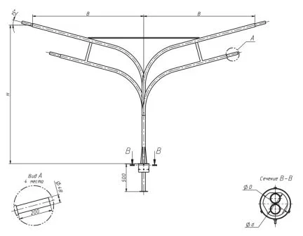
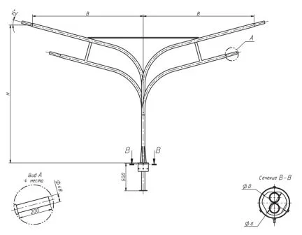
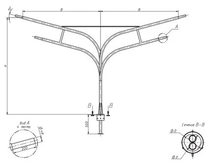
Кронштейн угловой четырехрожковый с кольцом КГ4К-1,5-2,5-0,075-0,048-180
КГ4К-1,5-2,5-0,075-0,048-180
Арт:
8 550 ₽
В наличии
Характеристики
СтатусВ наличии
Все характеристики
1
Под заказ: 2-4 недели
20 лет опыта и качества
Выгода для постоянных клиентов
Доставка во все города РФ
Пункты выдачи в каждом городе РФ
Гарантия
5 лет
Розница отп без выходных
Описание
Расшифровка
Технические характеристики
Инструкции
Доставка
Оплата
Отзывы
У товара пока нет описания





















































