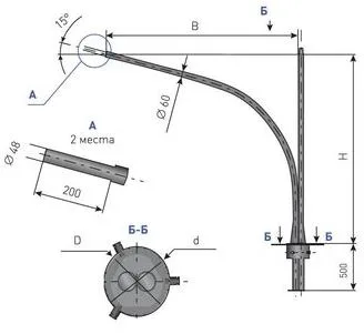
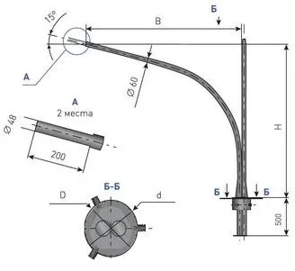
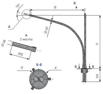
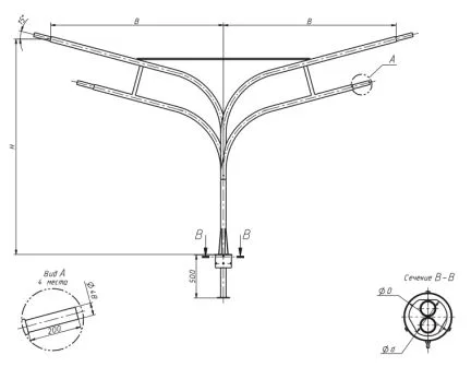
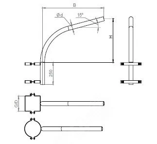
Кронштейн консольный серии 1 "Стандарт" ТАНС.41.156.000 (1.С4-1,4-1,25-/90-О3-ц)
ТАНС.41.156.000 (1.С4-1,4-1,25-/90-О3-ц)
ТАНС.41.156.000 (1.С4-1,4-1,25-/90-О3-ц)
Арт: OE-00107
23 031 ₽
В наличии
Характеристики
СтатусВ наличии
Все характеристики
1
Под заказ: 2-4 недели
20 лет опыта и качества
Выгода для постоянных клиентов
Доставка во все города РФ
Пункты выдачи в каждом городе РФ
Гарантия
5 лет
Розница отп без выходных
Описание
Расшифровка
Технические характеристики
Инструкции
Доставка
Оплата
Отзывы
У товара пока нет описания

















































