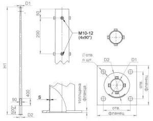
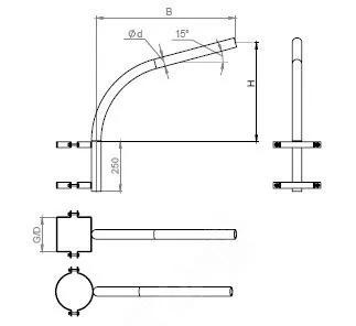
Опора несиловая трубчатая фланцевая НФ-5,0-02-ц-(ТК(60)-0,6-70)
НФ-5,0-02-ц-(ТК(60)-0,6-70)
Арт:
14 689 ₽
В наличии
Характеристики
СтатусВ наличии
Все характеристики
1
Под заказ: 2-4 недели
20 лет опыта и качества
Выгода для постоянных клиентов
Доставка во все города РФ
Пункты выдачи в каждом городе РФ
Гарантия
5 лет
Розница отп без выходных
Описание
Технические характеристики
Инструкции
Доставка
Оплата
Отзывы
У товара пока нет описания





































