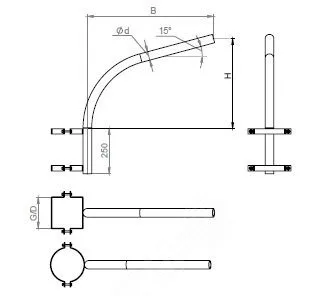
Закладная деталь фундамента ТАНС.31.074.000 (3Ф-20/4/Д270-1,5-б) OE OPORA ENGINEERING
ТАНС.31.074.000 (3Ф-20/4/Д270-1,5-б)
ТАНС.31.074.000 (3Ф-20/4/Д270-1,5-б)
Арт: OE-00977
7 210 ₽
В наличии
Характеристики
СтатусВ наличии
Все характеристики
1
Под заказ: 3-5 дней
20 лет опыта и качества
Выгода для постоянных клиентов
Доставка во все города РФ
Пункты выдачи в каждом городе РФ
Гарантия
5 лет
Розница отп без выходных
Описание
Расшифровка
Технические характеристики
Инструкции
Доставка
Оплата
Отзывы
У товара пока нет описания





















































