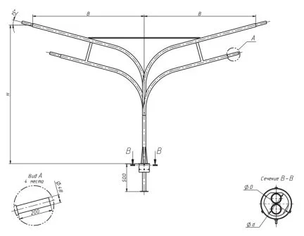
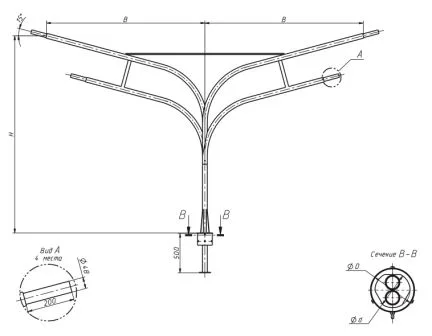
Опора парковая ОД-4-5,0-67 "Платан-4"-цл ТАНС.14.021.000
ОД-4-5,0-67 "Платан-4"-цл ТАНС.14.021.000
Арт: OE-03078
70 777 ₽
В наличии
Характеристики
СтатусВ наличии
Все характеристики
1
Под заказ: 4-5 недель
20 лет опыта и качества
Выгода для постоянных клиентов
Доставка во все города РФ
Пункты выдачи в каждом городе РФ
Гарантия
5 лет
Розница отп без выходных
Описание
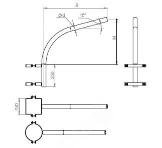
Технические характеристики
Инструкции
Доставка
Оплата
Отзывы
У товара пока нет описания

































