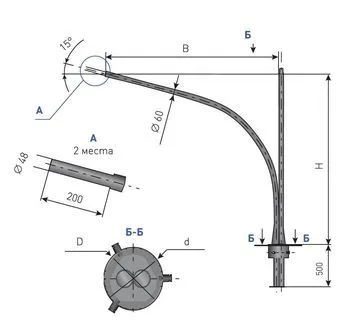
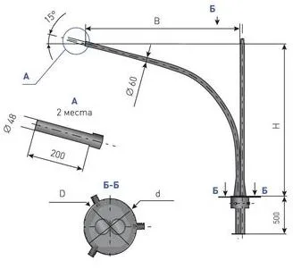
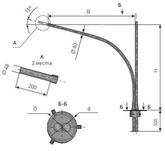
Кронштейн радиусный двухрожковый с кольцом К2К-1,0-2,0-К110/76-0,048-(15-180) ГЦ+ПО
К2К-1,0-2,0-К110/76-0,048-(15-180) ГЦ+ПО
Арт: 00-004166
11 056.71 ₽
10 530.20 ₽
10 003.69 ₽
СКИДКА 5%
В наличии
Характеристики
СтатусВ наличии
Все характеристики
1
Под заказ: 2-4 недели
20 лет опыта и качества
Выгода для постоянных клиентов
Доставка во все города РФ
Пункты выдачи в каждом городе РФ
Гарантия
5 лет
Розница отп без выходных
Описание
Расшифровка
Технические характеристики
Инструкции
Доставка
Оплата
Отзывы
У товара пока нет описания





















































