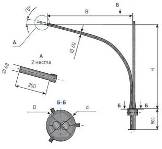
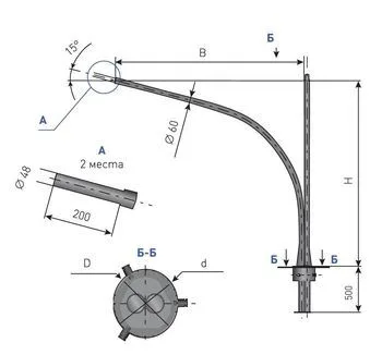
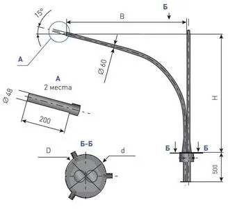
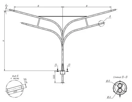
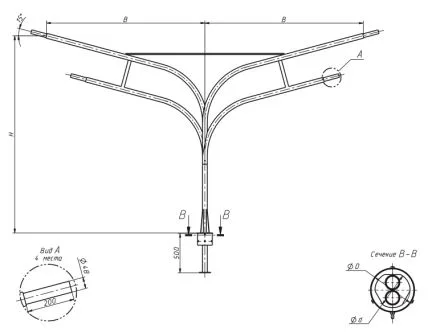
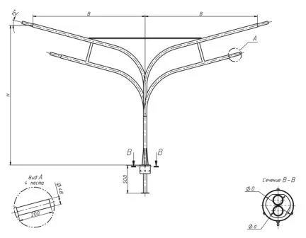
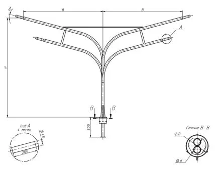
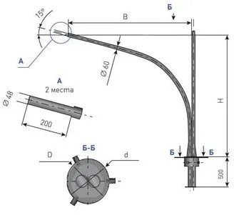
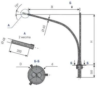
Кронштейн радиусный двухрожковый с кольцом К2К-2,5-2,5-К80-0,057-(15-180) ГЦ+ПО
К2К-2,5-2,5-К80-0,057-(15-180) ГЦ+ПО
Арт: 00-004250
12 301.80 ₽
11 716 ₽
11 130.20 ₽
СКИДКА 5%
В наличии
Характеристики
СтатусВ наличии
Все характеристики
1
Под заказ: 2-4 недели
20 лет опыта и качества
Выгода для постоянных клиентов
Доставка во все города РФ
Пункты выдачи в каждом городе РФ
Гарантия
5 лет
Розница отп без выходных
Описание
Расшифровка
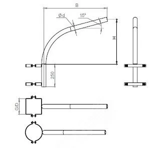
Технические характеристики
Инструкции
Доставка
Оплата
Отзывы
У товара пока нет описания





















































