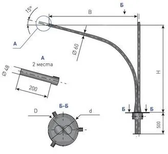
Кронштейн угловой однорожковый с кольцом КГ1К-1,5-2,5-К110/76-0,048 ГЦ+ПО
КГ1К-1,5-2,5-К110/76-0,048 ГЦ+ПО
Арт: 00-004571
2 152.61 ₽
2 050.10 ₽
1 947.59 ₽
СКИДКА 5%
В наличии
Характеристики
СтатусВ наличии
Все характеристики
1
Под заказ: 2-4 недели
20 лет опыта и качества
Выгода для постоянных клиентов
Доставка во все города РФ
Пункты выдачи в каждом городе РФ
Гарантия
5 лет
Розница отп без выходных
Описание
Расшифровка
Технические характеристики
Инструкции
Доставка
Оплата
Отзывы
У товара пока нет описания





















































