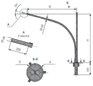
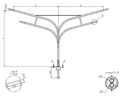
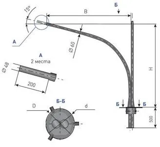
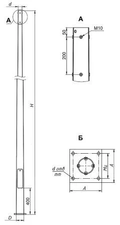
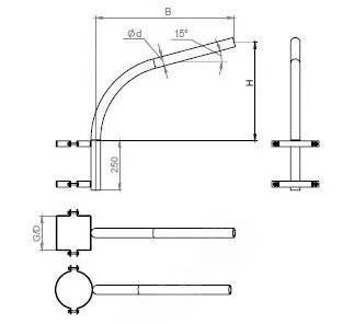
Кронштейн угловой трехрожковый с кольцом КГ3К-1,0-1,0-К110/76-0,048-(0,180) ГЦ
КГ3К-1,0-1,0-К110/76-0,048-(0,180) ГЦ
КГ3К-1,0-1,0-К110/76-0,048-(0,180) ГЦ
Арт: 00-003955
3 181.61 ₽
3 030.10 ₽
2 878.60 ₽
СКИДКА 5%
В наличии
Характеристики
СтатусВ наличии
Все характеристики
1
Под заказ: 2-4 недели
20 лет опыта и качества
Выгода для постоянных клиентов
Доставка во все города РФ
Пункты выдачи в каждом городе РФ
Гарантия
5 лет
Розница отп без выходных
Описание
Расшифровка
Технические характеристики
Инструкции
Доставка
Оплата
Отзывы
У товара пока нет описания




















































